








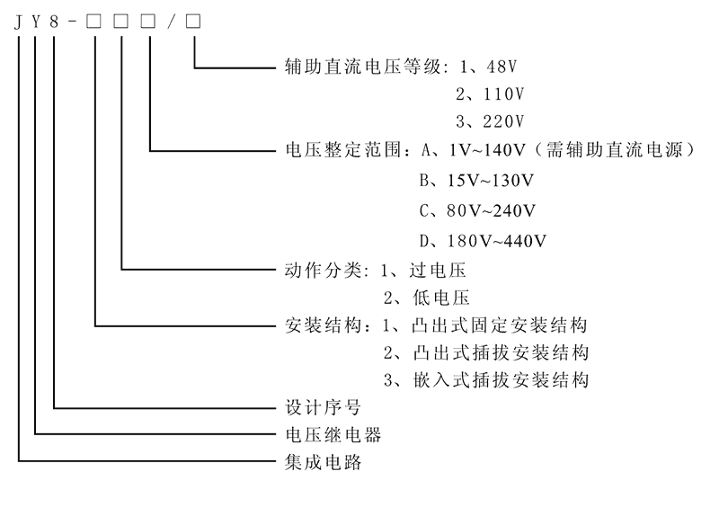
产品型号:JY8-11D
额定电压:AC48V、110V、220V
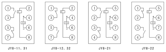
触点形式:1常开1常闭
整定范围:180V~440V


JY8-11D电压继电器采用进口集成电路构成,被测量的交流电压U~经隔离变压器降压后得到与被测电压成正比的电压Ui,经整定后进行整流,整流后脉冲电压经滤波器滤波,得到与Ui成正比的直流电压Uo,在电平检测中Uo与直流参考电压 Ue 进行比较,若直流电压Uo低于参考电压,电平检测器输出正信号,驱动出口继电器,则本继电器处于动作状态。反之,不论是过电压继电器或是低电压继电器,若直流电压Uo高于参考电压 Ue,电平检测器输出负信号,则JY8-11D电压继电器处于不动作状态。
| 型号 | 动作类型 | 返回系数 | 额定电压 | 整定电压 |
| JY8-11A | 过电压继电器 | >0.9 | AC:48V、110V、220V | 1V~140V |
| JY8-11B | 过电压继电器 | >0.9 | AC:48V、110V、220V | 15V~130V |
| JY8-11C | 过电压继电器 | >0.9 | AC:48V、110V、220V | 80V~240V |
| JY8-11D | 过电压继电器 | >0.9 | AC:48V、110V、220V | 180V~440V |
| JY8-12A | 低电压继电器 | <1.1 | AC:48V、110V、220V | 1V~140V |
| JY8-12B | 低电压继电器 | <1.1 | AC:48V、110V、220V | 15V~130V |
| JY8-12C | 低电压继电器 | <1.1 | AC:48V、110V、220V | 80V~240V |
| JY8-12D | 低电压继电器 | <1.1 | AC:48V、110V、220V | 180V~440V |
| JY8-21A | 过电压继电器 | >0.9 | AC:48V、110V、220V | 1V~140V |
| JY8-21B | 过电压继电器 | >0.9 | AC:48V、110V、220V | 15V~130V |
| JY8-21C | 过电压继电器 | >0.9 | AC:48V、110V、220V | 80V~240V |
| JY8-21D | 过电压继电器 | >0.9 | AC:48V、110V、220V | 180V~440V |
| JY8-22A | 低电压继电器 | <1.1 | AC:48V、110V、220V | 1V~140V |
| JY8-22B | 低电压继电器 | <1.1 | AC:48V、110V、220V | 15V~130V |
| JY8-22C | 低电压继电器 | <1.1 | AC:48V、110V、220V | 80V~240V |
| JY8-22D | 低电压继电器 | <1.1 | AC:48V、110V、220V | 180V~440V |
| JY8-31A | 过电压继电器 | >0.9 | AC:48V、110V、220V | 1V~140V |
| JY8-31B | 过电压继电器 | >0.9 | AC:48V、110V、220V | 15V~130V |
| JY8-31C | 过电压继电器 | >0.9 | AC:48V、110V、220V | 80V~240V |
| JY8-31D | 过电压继电器 | >0.9 | AC:48V、110V、220V | 180V~440V |
| JY8-32A | 低电压继电器 | <1.1 | AC:48V、110V、220V | 1V~140V |
| JY8-32B | 低电压继电器 | <1.1 | AC:48V、110V、220V | 15V~130V |
| JY8-32C | 低电压继电器 | <1.1 | AC:48V、110V、220V | 80V~240V |
| JY8-32D | 低电压继电器 | <1.1 | AC:48V、110V、220V | 180V~440V |

| 额定参数 | |
| 额定电压 | AC48V、110V、220V |
| 过电压返回系数 | >0.9 |
| 低电压返回系数 | <1.1 |
| 过电压返回时间 | <25ms |
| 低电压返回时间 | <25ms |
| 整定范围 | 1V~140V、15V~130V、80V~240V、180V~440V |
| 整定误差 | <5% |
| 功耗 | <5W |
| 绝缘性能 | |
| 绝缘电阻 | 继电器外壳与外露带电端子之间用开路电压500V的兆欧表测量,绝缘电阻不小于10MΩ |
| 绝缘耐压 | 继电器外壳与外露带电端子之间能耐受2KV(有效值)50Hz试验电压,历时1分钟,无击穿或闪络现象 |
| 环境条件 | |
| 环境温度 | -15℃~55℃ |
| 工作电压 | 不大于120%额定电压 |
| 工作位置 | 任意 |
| 周围磁场强度 | 小于0.5mT |
| 环境相对湿度 | 不大于90% |
| 大气压力 | 80~110KPa |
| 温度 | -25℃~+70℃ |
| 海拔高度 | 不大于2500 米 |








联系电话
微信扫一扫
