产品中心







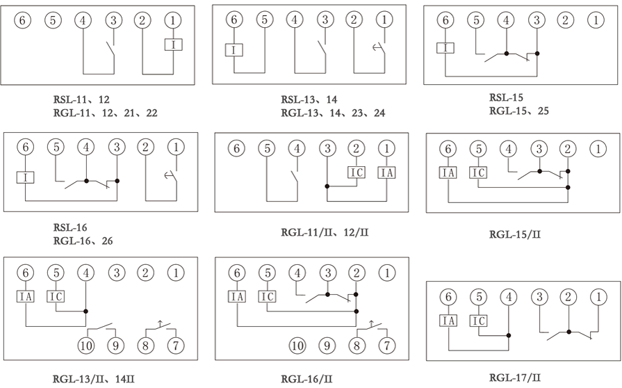
触点形式
1动合,1动合1信号,1转换,1转换1信号
额定电流
2~20A(无辅助电源),极差0.1A
速动倍速整定
2~9.9倍,极差0.1倍
速动延时整定
0~0.9S,极差0.1S
反时限曲线K值
0.01~9.99
安装方式
凸出式前接线、凸出式后接线

触点形式
1动合,1动合1信号,1转换,1转换1信号
额定电流
2~20A(无辅助电源),极差0.1A
速动倍速整定
2~9.9倍,极差0.1倍
速动延时整定
0~0.9S,极差0.1S
反时限曲线K值
0.01~9.99
安装方式
凸出式前接线、凸出式后接线



触点形式
1开1闭、2常开、2常闭
整定范围
2~99.9A(极差0.1A)
辅助电源
无需辅助电源
返回系数
0.85~0.95
安装结构
凸出式固定、凸出式插拔、嵌入式插拔
接线方式
凸出式前接线、凸出式后接线、板前/板后接线
动作电流
30~300mA范围可调,50~500mA范围可调
动作时间类型
快速型、延时型
快速型动作时间
≤0.1S
延时型动作时间
0.1S、0.2S、0.5S可选
互感器孔径
25mm,45mm,100mm,150mm、200mm或方形非标
安装方式
35mm导轨安装、嵌入式面板、固定式
漏电动作电流
0.03、0.07、0.1、0.3、0.5、1、1.5、2、2.5、3A可调
动作时间
0.2、0.4、0.6、0.8、1、1.2、1.4、1.6、1.8、2S可调
动作电流精度
80%~100%
互感器孔径
25mm,45mm,100mm
控制电压
AC:220V;DC:12V、24V、48V
安装方式
35mm导轨条安装
联系电话
微信扫一扫
