


漏电动作电流
0.03、0.07、0.1、0.3、0.5、1、1.5、2、2.5、3A可调
动作时间
0.2、0.4、0.6、0.8、1、1.2、1.4、1.6、1.8、2S可调
动作电流精度
80%~100%
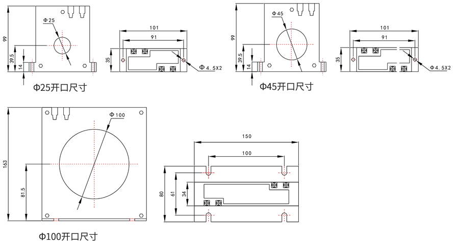
互感器孔径
25mm,45mm,100mm
控制电压
AC:220V;DC:12V、24V、48V
安装方式
35mm导轨条安装


漏电动作电流
0.03、0.07、0.1、0.3、0.5、1、1.5、2、2.5、3A可调
动作时间
0.2、0.4、0.6、0.8、1、1.2、1.4、1.6、1.8、2S可调
动作电流精度
80%~100%
互感器孔径
25mm,45mm,100mm
控制电压
AC:220V;DC:12V、24V、48V
安装方式
35mm导轨条安装


| 型号 | 开口尺寸 | 较大额定电流参考值(A) | 额定电压(V) |
| Y-25 | Φ25 | 0~100 | 690、660、380 |
| Y-45 | Φ45 | 0~200 | |
| Y-100 | Φ100 | 0~630 | |
| 注:特定产品需提前沟通注明 | |||

触点形式
4转换、4开4闭、6转换
触点容量
长期允许接通电流为5A(常规)
AC电压范围
110V、220V、380V
DC电压范围
12V、24V、48V、110V、220V
壳体宽度
60mm,105mm(8转换)
安装方式
35mm导轨安装
触点形式
1开1闭,2常开,2开1闭,2闭1开
整定范围
19~130V,85~265V,180~440V,极差1V
辅助电源
无需辅助电源
返回系数
过电压:0.85~0.95;低电压:1.02~1.12
安装结构
凸出式固定、凸出式插拔、嵌入式插拔
接线方式
凸出式前接线、凸出式后接线、板前/板后接线
工作电压
AC:220V、380V
适用范围
1=工频晃电在启动,2=工频、变频晃电在启动
动作时间
0~9.99S,极差:0.01S
功率消耗
额定电压下小于5W/5VA
触点容量
长期允许接通电流为5A(常规)
安装方式
35mm导轨条安装
联系电话
微信扫一扫
