产品中心
东升国际:RZYF-D抗干扰大功率中间继电器 |
东升国际:RZY-D静态中间继电器 |
东升国际:RZE-D通电延时中间继电器 |
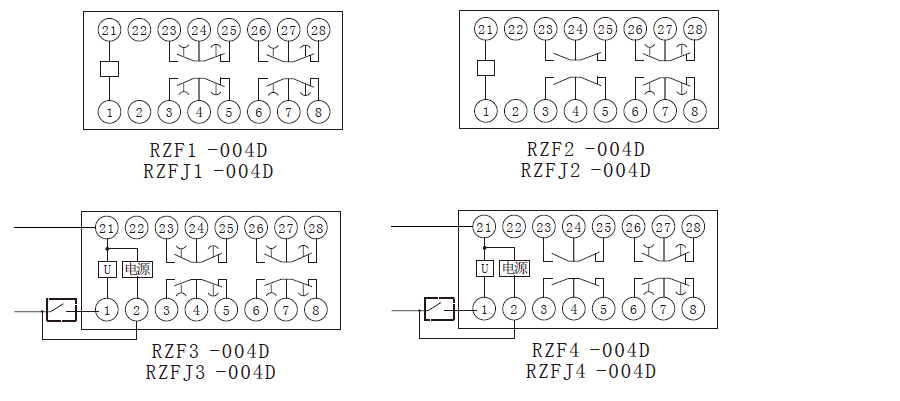
东升国际:RZF-D系列断电延时中间继电器 |
东升国际:RZB-D保持中间继电器 |
RZXL-D小电流中间继电器 |
东升国际:RWY-D系列电压继电器 |
东升国际:RWYII-D系列无辅源静态电压继电器 |
东升国际:RYII-D系列静态电压继电器 |
东升国际:RY-3XD系列三相电压继电器 |
RY-DS系列定时限电压继电器 |
东升国际:RWY无辅源静态电压继电器 |
RY静态电压继电器 |









