东升国际
继电器制造商
电力继电器研发与生产的企业
咨询服务热线
139-6888-3630
产品中心
中间继电器
RZYF-D抗干扰大功率中间继电器
|
RZY-D静态中间继电器
|
RZE-D通电延时中间继电器
|
RZF-D系列断电延时中间继电器
|
RZB-D保持中间继电器
|
RZXL-D小电流中间继电器
|
时间继电器
RS-D系列时间继电器
|
RS系列时间继电器
|
ZSJ-3系列时间继电器
|
电压继电器
RWY-D系列电压继电器
|
RWYII-D系列无辅源静态电压继电器
|
RYII-D系列静态电压继电器
|
RY-3XD系列三相电压继电器
|
RY-DS系列定时限电压继电器
|
RWY无辅源静态电压继电器
|
RY静态电压继电器
|
电流继电器
RLII-D系列静态电流继电器
|
RWLII-D系列无辅源电流继电器
|
RL-DS系列定时限电流继电器
|
RL系列静态电流继电器
|
RWL系列无辅源电流继电器
|
过流继电器
RWG-D系列无辅源两相过流继电器
|
RGL系列过流继电器
|
漏电继电器
RELR-D系列可调漏电继电器
|
RT-L系列可调漏电继电器
|
信号继电器
RX-D系列信号继电器
|
RX2-D系列信号继电器
|
闭锁继电器
LB-7闭锁继电器
|
RAI系列封存闭锁继电器
|
其它继电器
闪光继电器
|
冲击继电器
|
抗晃电继电器
|
双位置继电器
|
分闸、合闸、电源监视继电器
|
同步检查继电器
|
跳闸回路监视继电器
|
组合式报警继电器
|
网站东升国际
项目业绩
资讯动态
技术文章
联系方式
东升国际
产品中心
中间继电器
时间继电器
电压继电器
电流继电器
过流继电器
漏电继电器
信号继电器
闭锁继电器
闪光继电器
冲击继电器
抗晃电继电器
双位置继电器
更多继电器>>
项目业绩
资讯动态
联系方式
东升国际
>
技术文章
>
直流电压继家电
>
DL-10型直流电按钮开关产品
产品目录
中间继电器
时间继电器
电压继电器
电流继电器
过流继电器
漏电继电器
信号继电器
闭锁继电器
闪光继电器
冲击继电器
抗晃电继电器
双位置继电器
三合一继电器
同步检查继电器
跳闸回路监视继电器
组合式报警继电器
联系东升国际
139-6888-3630
021-67183050
021-37190051
3355853136@qq.com
DL-13电流继电器
文章类别:
DL-10型电流继电器
文章概述
型号:DL-13电磁式电流继电器
触点形式:1常开
壳体形式:凸出式固定安装
产品分类
询价留言
产品详情
产品分类
询价留言
东升国际相关的文章
概述
DL-13电流继电器,为电磁式瞬动过电流继电器,它广泛用于电力系统二次回路继电保护装置线路中,作为过电流启动元件。
主要技术参数
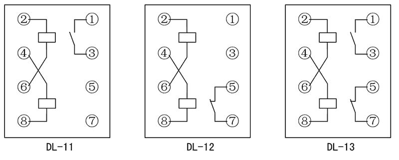
接线图
主要特点
凸出式安装结构
中间继电器
时间继电器
电压继电器
电流继电器
过流继电器
漏电继电器
信号继电器
闭锁继电器
闪光继电器
冲击继电器
抗晃电继电器
双位置继电器
三合一继电器
同步检查继电器
跳闸回路监视继电器
组合式报警继电器
*主题风格:
称作:
邮箱账号:
子公司:
*電話:
接转传真:
微信备注名:
*验证码:
JZB-220/10带保持中间继电器
DZBS-204/T带延时低电流启动中间继电器
JZB-115Q静态中间继电器
ZJ3-1C/80中间继电器
SSJ-11A时间继电器
DZL-211X中间继电器
DZS-221带延时的电磁式中间继电器
HBDLL-95B/3双位置继电器
JD1-32F漏电继电器
HZH-110VAC-2H-1H1D-1D综合控制继电器
SRS-220VDC-1Z-16A静态中间继电器
XZJ-8L-2H2D直流信号中间继电器
UEG/A-4D中间继电器
ZJ3-3E/80中间继电器
SRS-24VDC-4Z-8A静态中间继电器
DLS-44/8双位置继电器
WY-31A3过电压保护继电器
JZ-7GY-L110B直流大功率中间继电器
SRTD-24VDC-1H1D断电延时时间继电器
DZL-202中间继电器
3355853136
连系电话
139-6888-3630
问价下方留言
腾讯微信扫扫后
跳回最上层
var _hmt = _hmt || []; (function() { var hm = document.createElement("script"); hm.src = "https://hm.baidu.com/hm.js?c9a3b9e196a0b1174145915155251bf6"; var s = document.getElementsByTagName("script")[0]; s.parentNode.insertBefore(hm, s); })(); !function(p){"use strict";!function(t){var s=window,e=document,i=p,c="".concat("https:"===e.location.protocol?"https://":"http://","sdk.51.la/js-sdk-pro.min.js"),n=e.createElement("script"),r=e.getElementsByTagName("script")[0];n.type="text/javascript",n.setAttribute("charset","UTF-8"),n.async=!0,n.src=c,n.id="LA_COLLECT",i.d=n;var o=function(){s.LA.ids.push(i)};s.LA?s.LA.ids&&o():(s.LA=p,s.LA.ids=[],o()),r.parentNode.insertBefore(n,r)}()}({id:"K9y7iMpaU8NS42Fm",ck:"K9y7iMpaU8NS42Fm"});