


1,继电器由变流取样、执行、保持或延时自动复归等部分组成(见图1),装有二只发光二极管,监视电源和执行状况。当加电
源或复归后需经1~2s时间充电,准备好下一次工作,一旦启动回路中有信号输入,电流脉冲信号经变流取样后,使执行部分工作
并输出信号,经保持或延时复归部分延时后可实现保持或延时自动复归、手动复归等功能。
图1 RCJ系列冲击继电器工作原理框图
2,设计特点
本继电器采用进口集成电路等电子元器件, 灵敏度高、功耗小、性能稳定, 既可启动普通白炽灯,也可启动LED型节能信
号灯,可自动复归,也可手动复归,可正电源复归,也可负电源复归,可通电复归,也可断电复归,外部接线与老型号产品基
本相同,减少了现场安装工作量,是目前电力系统中理想的更新换代产品。
RCJ 系列冲击继电器外引脚功能图(见图2)
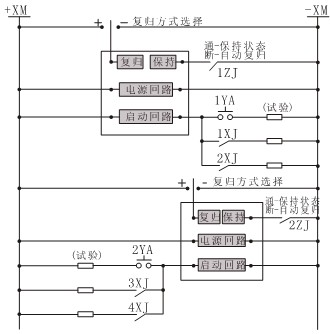
RCJ 系列冲击继电器应用参考图(见图3)
2。 
图3 RCJ-2、3型静态冲击继电器应用参考图
RCJ-2采用A11K、A11Q壳体,外形及安装开孔尺寸详见附图1。

RCJ-3采用JK-2K、JK-2Q壳体,外形及安装开孔尺寸详见附图

联系电话
微信扫一扫
