


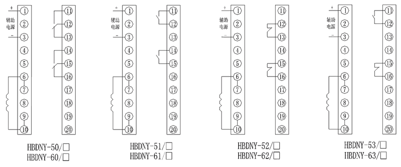
产品型号:HBDNY-61电流继电器
触点形式:2常开
动作时间:小于30ms
返回时间:小于25ms
AC电压:220V、240V、380V
DC电压:110V、220V
安装方式:导轨安装



| 额定参数 | |
| 直流额定电压 | 110V、220V可选 |
| 交流额定电压 | 220V、240V、380V可选 |
| 直流动作电压 | ≤70%额定电压 |
| 交流动作电压 | ≤75%额定电压 |
| 动作时间 | 过电流≤20ms,低电流≤30ms |
| 返回时间 | 过电流≤30ms,低电流≤25ms |
| 过电流返回系数 | >0.90 |
| 低电流返回系数 | <1.1 |
| 功耗 | ≤5W |
| 绝缘性能 | |
| 绝缘电阻 | 继电器外壳与外露带电端子之间用开路电压500V的兆欧表测量,绝缘电阻不小于10MΩ |
| 绝缘耐压 | 继电器外壳与外露带电端子之间能耐受2KV(有效值)50Hz试验电压,历时1分钟,无击穿或闪络现象 |
| 环境条件 | |
| 环境温度 | -15℃~55℃ |
| 工作电压 | 不大于120%额定电压 |
| 工作位置 | 任意 |
| 周围磁场强度 | 小于0.5mT |
| 环境相对湿度 | 不大于90% |
| 大气压力 | 80~110KPa |
| 温度 | -25℃~+70℃ |
| 海拔高度 | 不大于2500 米 |






