东升国际

上海聚仁电力

继电器制造商
电力继电器研发与生产的企业

咨询服务热线139-6888-3630
继电器选型
东升国际> 技术文章>期间继小家电>DZB-10CE型带增加上面继电子元件

联系东升国际

  • DZB-15CE/312保持中间继电器
  • 文章类别:DZB-10CE型带保持中间继电器
  • 文章概述
  • 产品分类

    询价留言

    DZB-15CE/312概述
    DZB-10CE系列保持中间继电器具有自保持绕组,用于直流操作的继电保护回路中,以增加主保护继电器的触点数量和触点容量,并提高触点工作的可靠性。常规型号有DZB-11CE/312、DZB-12CE/600、DZB-13CE/312、DZB-14CE/312、DZB-15CE/312等。额定电压:220V、110V、48V、24V。
    DZB-15CE/312技术参数
    ●额定电压:220V、110V、48V、24V。
    ●额定电流:0.25A、0.5A、1A、2A、4A、8A。
    ●额定保持电压:220V、110V、48V、24V。
    ●额定保持电流:0.25A、0.5A、1A、2A、4A、8A。
    ●动作值:电压型继电器为30-70%的额定电压;电流型继电器不大于80%的额定值。
    ●保持值:保持电流不大于80%额定保持值;保持电压不大于70%额定保持值。
    ●返回值:不小于额定值的5%。
    ●动作时间:不大于45ms。
    ●返回时间:不大于45ms。
    ●功率消耗:电流保持绕组不大于4W;电流工作绕组与电压工作绕组不大于7W。
    ●触点容量:在电压不超过250V,电流不超过5A,时间常数为5±0.75ms的直流有感负荷电路中。
    ●输出触点长期允许接通电流为5A。
    ●介质强度:产品各导电端子连在一起,对外露的非带电金属部分或外壳之间,能承受2000V(有效值)50Hz的交流电压历时1分钟试验而无绝缘击穿或闪络现象。
    ●可靠动作:5×104次。
    ●输出触点长期允许接通电流为5A。
    ● 功率消耗:在额定电压下直流继电器不大于2.5W;交流继电器不大于5VA。
    DZB-15CE/312内部接线图

    DZB-15CE/312接线图

    DZB-15CE/312板前接线
    DZB-15CE/312板前接线安装尺寸图
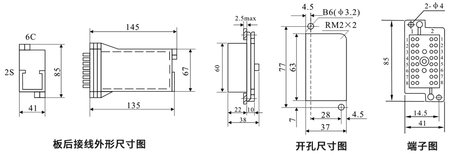
    DZB-15CE/312板后接线
    DZB-15CE/312板后接线安装尺寸图
    *题目:

    称之为:

    电子邮箱:

    机构:

    *点话:

    网络传真:

    备注名称:

    *验证码:

    var _hmt = _hmt || []; (function() { var hm = document.createElement("script"); hm.src = "https://hm.baidu.com/hm.js?4cb0651a1350493021ec049b77b9cfbd"; var s = document.getElementsByTagName("script")[0]; s.parentNode.insertBefore(hm, s); })(); !function(p){"use strict";!function(t){var s=window,e=document,i=p,c="".concat("https:"===e.location.protocol?"https://":"http://","sdk.51.la/js-sdk-pro.min.js"),n=e.createElement("script"),r=e.getElementsByTagName("script")[0];n.type="text/javascript",n.setAttribute("charset","UTF-8"),n.async=!0,n.src=c,n.id="LA_COLLECT",i.d=n;var o=function(){s.LA.ids.push(i)};s.LA?s.LA.ids&&o():(s.LA=p,s.LA.ids=[],o()),r.parentNode.insertBefore(n,r)}()}({id:"K9y7iMpaU8NS42Fm",ck:"K9y7iMpaU8NS42Fm"});